
1 / 2
MAGS Sliding GULF SLIM MS27
MAGS Sliding GULF SLIM MS27 is a non-insulated sliding system offering a wide range of solutions ideal for applications in warm climates, winter gardens or the partitioning of indoor office spaces. MS27 applies the latest techniques, designed according to the highest European quality standards. This sliding system offers a complete range of opening possibilities, from sliding elements in the wall to 2, 3, and 4-rail solutions. With its minimalistic design, MS27 realises an aesthetic solution for your building. In addition, the sliding elements can easily be integrated with different types of windows, conservatory systems, sunscreens, and screen doors.
Performance
Comfort
Air tightness-
Acoustics-
Water tightness-
Wind load resistance-
Safety
Burglar resistance-
* Note: Performances and properties may be different depending on the profile combinations
Properties
Max. dimensions & weight
min height of vent600 mm
min width of vent450 mm
max height of vent3000 mm
max width of vent2400 mm
max weight of vent200 kg
Sightlines
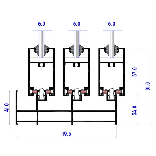
frame height41 mm
visible vent width68 mm
visible meeting section140 mm
vent system depth34 mm
interlocking view27 mm
depth frame2 rail55 mm, 77 mm
depth frame3 rail95 mm, 110 mm, 119 mm
depth frame4 rail136 mm, 160 mm
Glazing
rebate height17 mm
min glass thickness5 mm
glazing methodDry Glazing with EPDM or Natural Silicon
max glass thickness24 mm