
MAGS Economy Sliding MSE63
MAGS Economy Sliding MSE63 is a non-insulated sliding system offering a wide range of solutions ideal for applications in warm climates, winter gardens or the partitioning of indoor office spaces. MSE63 applies the latest techniques, designed according to the highest European quality standards. This sliding system offers a complete range of opening possibilities, from sliding elements in the wall to 2- and 3-solutions. MSE63 realises an aesthetic solution for your building. In addition, the sliding elements can easily be integrated with different types of windows, conservatory systems, sunscreens, and screen doors.
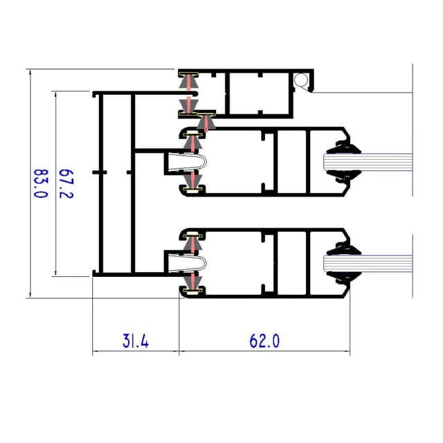
Technical Diagram

Performance
Comfort
Air tightness-
Acoustics-
Water tightness-
Wind load resistance-
Safety
Burglar resistance-
* Note: Performances and properties may be different depending on the profile combinations
Properties
Max. dimensions & weight
min height of vent600 mm
min width of vent450 mm
max height of vent2100 mm
max width of vent1500 mm
max weight of vent100 kg
Sightlines
frame height38 mm
visible vent width63 mm
visible meeting section131 mm
vent system depth65 mm
depth frame2 rail46 mm, 67 mm
depth frame3 rail83 mm, 104 mm
interlocking view65 mm
Glazing
rebate height15 mm
min glass thickness4 mm
glazing methodDry Glazing with EPDM or Natural Silicon
max glass thickness8 mm